 |
|
|
 |
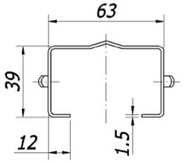
Pocinčani stupovi za lozu i voćnjake tkz. „Omega“ stupovi služe za izradu nosivih konstrukcija u vinogradarstvu, povrtlarstvu i voćarstvu. Izrađuju se od kvalitetnog čeličnog pocinčanog lima. Prodaju se u raznim dužinama i modelima (2.000-2.600 mm) uz debljinama lima od Ø1,3-1,5mm.
Prednosti metalnih stupova:
» Mogu se postaviti kod svih sorti vinove loze
» Otporni su na zaštitna sredstva
» Na njima nema zadržavanja bolesti i parazita
» Postavljaju se za kratko vrijeme zbog male težine
» Lako se transportuju, vade i premeštaju
» Rok trajanja je dug, preko 30 godina
» Mogu se koristiti i za malinjake
Također nudimo i „T“ pocinčane stupove u dimenzijama od 1.000-2.600 mm.
|
|
 |
|